0
3
实验室仪器和耗材采购平台
欢迎来到易购安,请[
登 录
] [
注 册
]
所有分类
无尘环境/防静电相关用品
通用仪器/试验仪器/分析仪器
测量仪器/检查仪器
实验设备
生命科学/分析/食品检查
容器
计量器具/试验器具/耗材
实验用品/材料
安全保护用品
胶带/搬运/收纳/相关产品
清扫/卫生相关用品
订购电话
(010) 5162-7666
无尘环境/防静电相关用品
晶片盒/特殊精密工具
除静电刷
喷枪/空气枪
塑料镊子
晶圆盒
真空镊子
特殊镊子
精密镊子
无尘环境机器/用品
无尘室用抹布/棉签/粘滚
无尘衣
防静电手套
无尘靴
无尘室用吸尘器/垫/胶带
无尘室用手套
口罩/帽/鞋套
无尘室用办公用品
洗净后存放用容器
静电对策机器/用品
防静电对策相关用品
离子发生器
腕带
收纳盒
防静电袋
静电测定器
导电垫/薄膜
无尘环境设备/耗材
保管箱/台车/椅子
微粒子计数器
过滤装置
通用仪器/试验仪器/分析仪器
干燥箱/电气炉/恒温器
恒温恒湿箱
恒温水浴关联产品
定温干燥箱
培养箱
油浴锅
恒温水浴
振荡水浴
电炉
真空干燥箱
培养机器
加热/冷却机器
可弯曲/投入式加热器
恒温金属浴
循环恒温水槽
电热套
加热板/低温板
冷却水循环装置
冷藏箱/冰箱
制冰机
超低温冰箱
防潮箱/相关产品
干燥剂式防潮箱
真空防潮箱
自动防潮箱
气体置换式防潮箱
搅拌/混合/振荡仪器
搅拌棒/搅拌叶片类
旋转混匀器
磁力搅拌机
加热磁力搅拌器/低温磁力搅拌器
匀浆器
搅拌子
搅拌机/混合器
试管混匀器
振荡器
真空脱泡装置/真空脱泡机
显微镜/显微镜相关产品
实体/金属显微镜
生物显微镜
数字显微镜
显微镜光源
分离仪器
离心机
蒸发器
离心管
电泳仪
粉碎/粉体相关仪器
粉碎罐/球磨机
乳钵/粉碎球
粉碎机
筛子/振筛机
压榨机
送液/加压/减压泵/相关产品
蠕动泵
手提泵
磁力泵/送液泵
空气泵/水流泵
真空泵用管和配件
油泵
压缩机/相关产品
隔膜真空泵
除尘器
研磨/切断/切削/表面改制相关仪器
研磨机/研磨用品
超声波裁切机/超声波切割刀/切割机
UV/表面处理相关/加工机
研磨机/钻头
焊接/焊膏/涂装用品
干燥器具/相关产品
器具干燥台
器具干燥架
器具干燥保管库
清洗机器
超声波清洗机
器具用清洗机/器具用清洗剂
大型超声波清洗器
灭菌/消毒仪器/相关产品
灭菌器/灭菌罐
灭菌指示带/可高压灭菌袋
分析仪器/试验仪器
其他分析仪器/试验机
光分析设备/比色皿
纯水机/纯水机相关产品
纯水制造装置
过滤器
测量仪器/检查仪器
天平/天秤关联产品
电子天平
天平相关产品
分析天平
电子台秤
电子秤
温度/湿度测定仪器/相关产品
棒式温度计
温湿度计
小型温度计
数字式温度计
温度指示标签
热像仪
辐射温度计
温度调节器
温度传感器
测量工具
卡尺/千分尺
转速计/测距仪
规
水平仪/磁性座
其他测量工具
数据记录仪/记录计
记录式温湿度仪
温度/湿度记录仪
电压记录仪
水质/土壤检测仪器
pH计
电导率计
溶氧计
水质检查仪器用品
浊度计
余氯计
放大镜/其他光学仪器
台式放大镜
灯
UV灯
各种放大镜
内窥镜
物理性能/物理量测定仪器
测力计/振动计
水分计
压力计/真空计
粘度计
膜厚仪/硬度计
其他试验机
比重计
折射仪
流量计/液面计
盐分计
大气/气体检测仪器
各种气体测试
气体采集仪器/用品
气体检测管/检测仪
自然环境检测仪器
其他环境测试仪
射线/紫外线测定
噪音仪
色度测试仪
风速仪
照度计
电气检测仪器
验电器
万用表
变压器/稳压器
示波器
钳式电流表
实验设备
实验室家具
货架
收纳/保管
桌/椅子
测量/检验工作台
实验台
药品库
不锈钢药品柜
钢/塑料制药品柜
排气装置/清洁柜/手套箱/其他
手套箱
安全柜
超净工作台
手套箱专用手套
通风柜
生命科学/分析/食品检查
培养/检测机器/相关产品
培养皿/培养容器
微型管/培养板
离心管/离心管架
微生物检查用品
菌落计数仪
拍击式均质器/相关产品
分注/移液器
移液器/吸头
移液槽
分注器(瓶型)
微量进样器
毛细管
微量注射器/气密性进样器
微量进样泵
分离用品
过滤器架/过滤装置
分注器过滤器
滤膜
定性滤纸/定量滤纸
生物组织/病理
包埋相关用品
动植物实验用品
染色盘
血球计算盘
载玻片存放
载玻片/盖玻片
保温/冷冻保存容器
冷冻盒
保温/保冷容器
冻存管
分析用品
pH试纸/分析用耗材
比色皿/光源
微量瓶/安瓿瓶
试剂
食品检测试剂
食品检测
研究方向试剂
氧化应激研究
线粒体研究
自噬研究
衰老研究
铁死亡研究
凋亡研究
代谢研究
细胞生物学试剂
细胞增殖.凋亡.周期
细胞自噬
细胞衰老
细胞染色
转染试剂
转染.包慢病毒
蛋白研究试剂
蛋白抗体标记
微生物学试剂
微生物.细菌检测
其他试剂
其他
信号转导试剂
荧光探针
容器
树脂容器
PP容器
氟树脂容器
PE容器
其他树脂容器
PS容器
树脂特殊容器
密封盒
盆/托盘
小盒
密封罐/水桶
清洗瓶/手压泵试剂瓶/喷雾器
玻璃容器
标准瓶/保存瓶/滴瓶
螺口瓶/样品瓶
螺口瓶/试剂瓶
金属容器
搪瓷/铝容器/其他容器
不锈钢盆/托盘
不锈钢桶
不锈钢罐/小型容器/不锈钢烧杯
周转箱/大型容器
周转箱
大型容器/水箱
折叠周转箱
计量器具/试验器具/耗材
玻璃机器/器具类
烧瓶类
采集器
过滤器具
可分离式烧瓶
玻璃皿/清洗瓶
玻璃管/连接管
分液漏斗
保存瓶/容器
萃取器/冷凝器
玻璃/树脂量器
滴定管
吸移管
烧杯/量杯
量筒
量瓶
一次性烧杯
量杯
吸液管
金属/树脂/陶瓷制实验室用品/镊子
镊子/剪刃
座架/夹具/千斤顶
勺子
抹刀/刮刀/搅拌棒
铲子/钳子
实验器具保管/烧瓶垫/漏斗架
坩埚/蒸发皿
燃烧器/丝网/三脚架
钨芯记号笔
塞子/盖子
胶头
橡胶带
瓶塞/铝盖
橡胶塞
硅胶塞
试管/漏斗
试管架
漏斗
试管
实验用品/材料
管件零件(水管/软管/连接件)
树脂管
氟树脂管
各种树脂接头
管用配件
氟树脂接头
排气管/真空软管
硅胶管
科研用素材/材料(金属/树脂/玻璃等)
橡胶材料
玻璃材料
树脂材料
金属材料/无机材料
实验用品/环境用品
秒表/计时器
防护用品
胶带
其他常用品
台车
化学制品
胶粘剂
检漏液
办公用品/文具
办公用品
切割刀
电脑周边机器/用品
电子文具
刷子/洗涤剂/清洗辅助用品
刷子
网筐
毛刷
清洗剂
海绵刷
安全保护用品
手套/指套
耐热/防割裂手套
丁腈手套
乳胶手套
作业用手套
耐药/耐溶剂/耐油手套
PVC(聚氯乙烯)手套
聚乙烯手套
手套保管架/保管盒
指套
眼镜/护目镜/面罩
防护镜
防护镜用备件
防护面罩
服装类/耳塞/鞋
帽/袖套/鞋套
防护服/一次性作业服
白大衣
围裙
安全帽
耳塞/耳罩/安全带
长筒皮靴/安全靴
口罩
防尘面罩
一次性口罩
防毒面罩
药灾/防灾对策用品
降温用品
吸收用品
洗眼器
药品托盘/防护网
其他防灾用品
标识类
标识类
胶带/搬运/收纳/相关产品
胶带
铝胶带/其他材质胶带
遮蔽胶带
实验室用胶带/标签
包装胶带/养生胶带
绝缘/导电胶带
办公用胶带
密封胶带
一般/工业用双面胶带
氟树脂胶带
纸制品/包装,物流资材/各种袋
封口机
抹布
塑料袋
包装用关联品
缠绕膜
收纳/整理/保管/工作台
配件盒
工作台
货车/搬运车/梯凳/搬运机器
手推车
搬运车
梯子/踏台
托盘/托盘车
电子器具/零件/工具
电器/工具
记号笔
清扫/卫生相关用品
清扫用品/关联品
吸尘器
清扫用品/垃圾推车
垃圾桶/地垫/其他
卫生关联用品
灭菌/消毒保管箱
防止异物混入
所有商品分类
首页
我要询价
快速下单
专业资讯
采购指南
采购指南
货期说明
配送方式
服务保障
维修服务
退换货政策
投诉与建议
联系方式
0
0
Subtotal
$
0
Shipping
$
0.00
Tax
$
0.00
Total
0
View Cart
Checkout
登录到您的帐户
Account
密码
忘记密码?
登 录
注册成为新会员
首页
计量器具/试验器具/耗材
玻璃/树脂量器
烧杯/量杯
PTFE烧杯(带把手) PTFE手付きビーカー
PTFE烧杯(带把手) PTFE手付きビーカー
库存:
现货
SKU:
Flon Chemical
¥1700.00
型号
NR0200-001
1700.00
3-8790-01
NR0200-002
2100.00
3-8790-02
NR0200-003
4300.00
3-8790-03
NR0200-004
9300.00
3-8790-04
NR0200-005
11000.00
3-8790-05
数量
加入购物车
描述
规格
评价
Flon Chemical
型号
图片
编号
型号
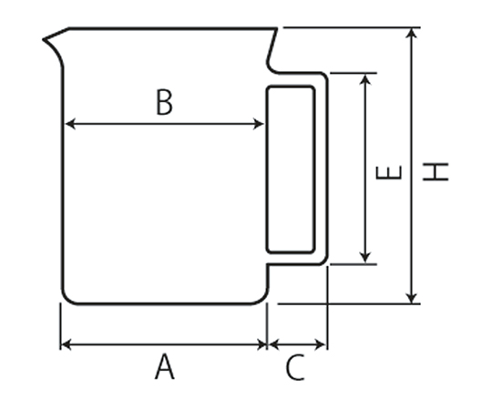
容量(ml)
把手
3-8790-01
NR0200-001
500
单手
3-8790-02
NR0200-002
1000
单手
3-8790-03
NR0200-003
2000
双手
3-8790-04
NR0200-004
3000
双手
3-8790-05
NR0200-005
5000
双手
规格与参数
NR0200-001
图片
编号
3-8790-01
型号
NR0200-001
容量(ml)
500
把手
单手
NR0200-002
图片
编号
3-8790-02
型号
NR0200-002
容量(ml)
1000
把手
单手
NR0200-003
图片
编号
3-8790-03
型号
NR0200-003
容量(ml)
2000
把手
双手
NR0200-004
图片
编号
3-8790-04
型号
NR0200-004
容量(ml)
3000
把手
双手
NR0200-005
图片
编号
3-8790-05
型号
NR0200-005
容量(ml)
5000
把手
双手
由于本平台的主要商品为进口产品,受国际交易手续及航运状态影响。
以上库存及货期存在各种不稳定因素可能会导致偏差,敬请谅解!
如有任何疑问,请拨打易购安热线电话:010-5162-7666 我们将竭诚为您服务。
用户评论
Write A Review
Review Stars
5 Stars Rating
4 Stars Rating
3 Stars Rating
2 Stars Rating
1 Stars Rating
Your Name
Email Address
Your Review
Post Your Review
相关产品
锥形瓶夹 コニカルヘッドクリップ CLIP
库存:
现货
¥8.30
加入购买车
加入购买车
浅盘 トレイ FIRING CONTAINER
库存:
现货
¥8000.00
加入购买车
加入购买车
瓦斯火焰喷枪 トーチ BURNER
库存:
现货
¥120.00
加入购买车
加入购买车
螺旋口试管 ネジ口試験管 TEST TUBE PP
库存:
现货
¥492.00
加入购买车
加入购买车
陶瓷金属丝网 セラミック金網 NET CERAMIC
库存:
现货
¥36.16
加入购买车
加入购买车
DURAN®低型烧杯 BEAKER
库存:
现货
¥38.00
加入购买车
加入购买车
ASONE三角烧瓶 (带参考刻度)細口三角フラスコ FLASK GLASS
库存:
现货
¥23.40
加入购买车
加入购买车
瓶封带 (硅胶彩色)シリコンカラーバンド BAND
库存:
现货
¥150.00
加入购买车
加入购买车
SPC茄形烧瓶 SPCなす型フラスコ FLASK GLASS
库存:
现货
¥930.00
加入购买车
加入购买车
通用磨口两口烧瓶 共通摺合二つ口フラスコ FLASK GLASS
库存:
现货
¥473.00
加入购买车
加入购买车
夹具 (双开式)両開クランプ CLAMP
库存:
现货
¥185.00
加入购买车
加入购买车
格里芬烧杯 Griffin beaker
库存:
现货
¥17.00
加入购买车
加入购买车
VIOLAMO一次性移液管(塑料包装) ビオラモディスポピペット(プラスチック包装・小分け包装)
库存:
现货
¥1200.00
加入购买车
加入购买车
烧杯 (带基准刻度)ビーカー BEAKER GLASS
库存:
现货
¥41.00
加入购买车
加入购买车
Menu
Home
Home 1
Home 2
Home 1 Finder
Home 2 Finder
Offcanvas Cart
Categories
Power Tools
Engravers
Wrenches
Wall Chaser
Pneumatic Tools
Machine Tools
Thread Cutting
Chip Blowers
Sharpening Machines
Pipe Cutters
Slotting machines
Lathes
Shop
Shop Grid
3 Columns Sidebar
4 Columns Full
5 Columns Full
Shop List
Shop Right Sidebar
Product
Product
Product Alt
Product Sidebar
Cart
Cart Empty
Checkout
Order Success
Wishlist
Compare
Track Order
Account
Login
Dashboard
Edit Profile
Order History
Order Details
Address Book
Edit Address
Change Password
Blog
Blog Classic
Blog Grid
Blog List
Blog Left Sidebar
Post Page
Post Without Sidebar
Pages
About Us
Contact Us
Contact Us Alt
404
Terms And Conditions
FAQ
Components
Typography
Currency
€ Euro
£ Pound Sterling
$ US Dollar
₽ Russian Ruble
Language
English
French
German
Russian
Italian